Product Summary
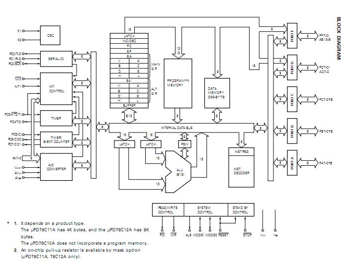
The D78C10AGQ is is a CMOS 8-bit microprocessor which can integrate 16-bit ALU, ROM, RAM, an A/D converter, a multi-function timer/event counter, and a general-purpose serial interface into a single chip, then expand the memory (ROM/RAM) up to 60K bytes externally. The D78C10AGQ is a ROM-less product of the μPD78C11A, and can directly address the external memory up to 64k bytes. The D78C10AGQ operated at low power consumption, because they have a CMOS construction. Also, it can hold data with low power consumption by using standby function.
Parametrics
D78C10AGQ absolute maximum ratings: (1)Power supply voltage: AVDD:AVSS to VDD +0.5V, VDD:–0.5V to +7.0V, AVSS:–0.5V to +0.5V; (2)Input voltage:–0.5V to VDD +0.5V; (3)Output voltage:–0.5V to VDD +0.5V; (4)Output current low: All output pins:4.0mA, Total of all output pins:100mA; (5)Output current high: All output pins:–2.0 mA, Total of all output pins –50 mA; (6)A/D converter reference input voltage:–0.5V to AVDD +0.3V; (7)Operating ambient temperature:–40℃ to +85℃; (8)Storage temperature:–65℃ to +150℃.
Features
D78C10AGQ features: (1)Abundant 159 types of instructions : 87AD series instruction set, multiplication/division instructions, 16-bit operation instructions; (2)Instruction cycle : 0.8 μs (at 15 MHz operation); (3)On-chip ROM : Non ; (4)On-chip RAM : 256W * 8; (5)High-precision 8-bit A/D converter : 8 analog inputs; (6)General-purpose serial interface : Asynchronous, synchronous, I/O interface mode; (7)Multi-function 16-bit timer/event counter; (8)Two 8-bit timers; (9)I/O lines : 32; (10)Interrupt function (external -3, internal -8) : Non-maskable interrupt * 1, maskable interrupt * 10; (11)Standby function : HALT mode, hardware/software STOP mode; (12)Zero-cross detection function : (2 inputs).
Diagrams

| Image | Part No | Mfg | Description | ![]() |
Pricing (USD) |
Quantity | ||||
|---|---|---|---|---|---|---|---|---|---|---|
![]() |
![]() D78C10AGQ |
![]() Other |
![]() |
![]() Data Sheet |
![]() Negotiable |
|
||||
| Image | Part No | Mfg | Description | ![]() |
Pricing (USD) |
Quantity | ||||
![]() |
![]() D78C |
![]() Other |
![]() |
![]() Data Sheet |
![]() Negotiable |
|
||||
![]() |
![]() D78C10AGQ |
![]() Other |
![]() |
![]() Data Sheet |
![]() Negotiable |
|
||||
(China (Mainland))









