Product Summary
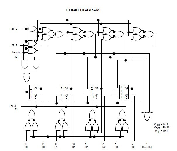
The MC10H136 is a high speed synchronous hexadecimal counter. This 10H part is a functional/pinout duplication of the standard MECL 10K family part, with 100% improvement in counting frequency and no increase in power-supply current.
Parametrics
MC10H136 absolute maximum ratings: (1)Power Supply (VCC = 0) VEE: –8.0 to 0 Vdc; (2)Input Voltage (VCC = 0) VI: 0 to VEE Vdc; (3)Output Current - Continuous, Iout 50 mA; Surge: 100mA; (4)Operating Temperature Range TA: 0 to +75 ℃; (5)Storage Temperature Range-Plastic: -55 to +150 ℃; Ceramic, Tstg: -55 to +165℃.
Features
MC10H136 features: (1)Counting Frequency, 250 MHz Minimum; (2)Voltage Compensated; (3)Power Dissipation, 625 mW Typical; (4)MECL 10K-Compatible; (5)Improved Noise Margin 150 mV(Over Operating Voltage and Temperature Range).
Diagrams

| Image | Part No | Mfg | Description | ![]() |
Pricing (USD) |
Quantity | ||||||||||||
|---|---|---|---|---|---|---|---|---|---|---|---|---|---|---|---|---|---|---|
![]() |
![]() MC10H136 |
![]() Other |
![]() |
![]() Data Sheet |
![]() Negotiable |
|
||||||||||||
![]() |
![]() MC10H136FN |
![]() ON Semiconductor |
![]() Counter Shift Registers Universal |
![]() Data Sheet |
![]() Negotiable |
|
||||||||||||
![]() |
![]() MC10H136FNR2G |
![]() ON Semiconductor |
![]() Counter Shift Registers Universal Hexadecimal Counter |
![]() Data Sheet |
![]()
|
|
||||||||||||
![]() |
![]() MC10H136FNG |
![]() ON Semiconductor |
![]() Counter Shift Registers Universal Hexadecimal Counter |
![]() Data Sheet |
![]()
|
|
||||||||||||
![]() |
![]() MC10H136L |
![]() ON Semiconductor |
![]() Counter Shift Registers Universal |
![]() Data Sheet |
![]() Negotiable |
|
||||||||||||
![]() |
![]() MC10H136FNR2 |
![]() ON Semiconductor |
![]() Counter Shift Registers Universal |
![]() Data Sheet |
![]() Negotiable |
|
||||||||||||
![]() |
![]() MC10H136PG |
![]() ON Semiconductor |
![]() Counter Shift Registers Universal Hexadecimal Counter |
![]() Data Sheet |
![]()
|
|
||||||||||||
![]() |
![]() MC10H136P |
![]() ON Semiconductor |
![]() Counter Shift Registers Universal |
![]() Data Sheet |
![]() Negotiable |
|
||||||||||||
(China (Mainland))










