Product Summary
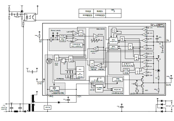
The ICE3A2565 is a Off-Line SMPS Current Mode Controller with integrated 650V Startup Cell/CoolMOS. It provides Active Burst Mode to reach the lowest Standby Power Requirements <100mW at no load. As the ICE3A2565 is always active during Active Burst Mode, there is an immediate response on load jumps without any black out in the SMPS. An adjustable blanking window prevents the IC from entering Auto Restart or Active Burst Mode unintentionally during high load jumps. The ICE3A2565 consists a wide power class range of products for various applications.
Parametrics
ICE3A2565 absolute maximum ratings: (1)Drain Source Voltage:650V; (2)Avalanche energy:0.47mJ; (3)Avalanche current:2.5A; (4)Thermal Resistance Junction-Ambient:90K/W; (5)VCC Supply Voltage:-0.3V to 22V; (6)FB Voltage:-0.3V to 6.5V; (7)SoftS Voltage:-0.3V to 6.5V; (8)CS Voltage:-0.3V to 6.5V; (9)Junction Temperature:-40℃ to 150℃; (10)Storage Temperature:-55℃ to 150℃; (11)ESD Capability(incl. Drain Pin):3 kV.
Features
ICE3A2565 features: (1)650V avalanche rugged CoolMOS with built in switchable Startup Cell ; (2)Active Burst Mode for lowest Standby Power @ light load controlled by Feedback signal; (3)Fast load jump response in Active Burst Mode; (4)67/100 kHz fixed switching frequency; (5)Auto Restart Mode for Overtemperature Detection; (6)Auto Restart Mode for Overvoltage Detection; (7)Auto Restart Mode for Overload and Open Loop; (8)Auto Restart Mode for VCC Undervoltage; (9)Blanking Window for short duration high current; (10)User defined Soft Start ; (11)Minimum of external components required; (12)Max Duty Cycle 72% ; (13)Overall tolerance of Current Limiting < ±5%; (14)Internal PWM Leading Edge Blanking; (15)Soft switching for low EMI.
Diagrams

| Image | Part No | Mfg | Description | ![]() |
Pricing (USD) |
Quantity | ||||||||||||
|---|---|---|---|---|---|---|---|---|---|---|---|---|---|---|---|---|---|---|
![]() |
![]() ICE3A2565 |
![]() Infineon Technologies |
![]() Current Mode PWM Controllers Off-Line SMPS Currnt Mode CTRLR 650V |
![]() Data Sheet |
![]()
|
|
||||||||||||
| Image | Part No | Mfg | Description | ![]() |
Pricing (USD) |
Quantity | ||||||||||||
![]() |
![]() ICE3A1065L |
![]() Infineon Technologies |
![]() Current Mode PWM Controllers Off-Line SMPS Currnt Mode CTRLR 650V |
![]() Data Sheet |
![]() Negotiable |
|
||||||||||||
![]() |
![]() ICE3A1565 |
![]() Infineon Technologies |
![]() Current Mode PWM Controllers Off-Line SMPS Currnt Mode CTRLR 650V |
![]() Data Sheet |
![]()
|
|
||||||||||||
![]() |
![]() ICE3A1565L |
![]() |
![]() IC OFFLINE CTRLR SMPS CM 8DIP |
![]() Data Sheet |
![]() Negotiable |
|
||||||||||||
![]() |
![]() ICE3AR10080JZ |
![]() Infineon Technologies |
![]() AC/DC Switching Converters Infineon Controller ICs |
![]() Data Sheet |
![]()
|
|
||||||||||||
![]() |
![]() ICE3AS03LJG |
![]() Infineon Technologies |
![]() Current Mode PWM Controllers Off-Line SMPS Curr Cntlr w/integrt 500V |
![]() Data Sheet |
![]()
|
|
||||||||||||
![]() |
![]() ICE3A2565 |
![]() Infineon Technologies |
![]() Current Mode PWM Controllers Off-Line SMPS Currnt Mode CTRLR 650V |
![]() Data Sheet |
![]()
|
|
||||||||||||
(China (Mainland))











