Product Summary
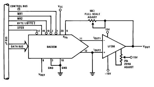
The DAC1230LCJ is a 12-bit multiplying D to A converter. It is designed to interface directly with a wide variety of microprocessors (8080, 8048, 8085, Z-80, etc.). Double buffering input registers and associated control lines allow these DACs to appear as a two-byte "stack" in the system’s memory or I/O space with no additional interfacing logic required.The DAC1230LCJ provides all 12 input lines to allow single buffering for maximum throughput when used with 16-bit processors. The DAC1230LCJ can be used with an 8-bit data bus directly as it internally formulates the 12-bit DAC data from its 8 input lines. All of these DACs accept left-justified data from the processor.The analog section is a precision silicon-chromium (Si-Cr) R-2R ladder network and twelve CMOS current switches.
Parametrics
DAC1230LCJ absolute maximum ratings: (1)Supply Voltage (VCC):17VDC; (2)Voltage at Any Digital Input:VCC to GND; (3)Voltage at VREF Input:±25V; (4)Storage Temperature Range:-65℃ to +150℃; (5)Package Dissipation at TA=25℃:500 mW; (6)DC Voltage Applied to IOUT1 or IOUT2:-100 mV to VCC; (7)ESD Susceptability:800V.
Features
DAC1230LCJ features: (1)Linearity specified with zero and full-scale adjust only; (2)Direct interface to all popular microprocessors; (3)Double-buffered, single-buffered or flow through digital data inputs; (4)Logic inputs which meet TTL voltage level specs (1.4V logic threshold); (5)Works with g10V referenceDfull 4-quadrant multiplication; (6)Operates stand-alone (without mP) if desired; (7)All parts guaranteed 12-bit monotonic; (8)DAC1230 series is pin compatible with the DAC0830 series 8-bit MICRO-DACs.
Diagrams

![]() |
![]() DAC10 |
![]() Other |
![]() |
![]() Data Sheet |
![]() Negotiable |
|
||||||||||||
![]() |
![]() DAC1001D125/DB |
![]() NXP Semiconductors |
![]() Data Conversion IC Development Tools DAC DEMOBOARD |
![]() Data Sheet |
![]()
|
|
||||||||||||
![]() |
![]() DAC1001D125HL/C1,1 |
![]() NXP Semiconductors |
![]() DAC (D/A Converters) DAC 2-CH Segment 10-Bit |
![]() Data Sheet |
![]()
|
|
||||||||||||
![]() |
![]() DAC1005D650HW/C1,5 |
![]() NXP Semiconductors |
![]() DAC (D/A Converters) IC DAC 10BIT 650MSPS DL |
![]() Data Sheet |
![]()
|
|
||||||||||||
![]() |
![]() DAC101C085CIMM/NOPB |
![]() National Semiconductor (TI) |
![]() DAC (D/A Converters) |
![]() Data Sheet |
![]()
|
|
||||||||||||
![]() |
![]() DAC101C081CISD/NOPB |
![]() National Semiconductor (TI) |
![]() DAC (D/A Converters) |
![]() Data Sheet |
![]()
|
|
||||||||||||
(China (Mainland))











