Product Summary
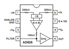
The AD626A is a low cost, true single supply differential amplifier designed for amplifying and low-pass filtering small differential voltages from sources having a large common-mode voltage. The AD626A can operate from either a single supply of +2.4 V to +10 V, or dual supplies of ± 1.2 V to ± 6 V. The input commonmode range of this amplifier is equal to 6 (+VS – 1 V) which provides a +24 V CMR while operating from a +5 V supply. Furthermore, the AD626A features a CMR of 90 dB typ. The applications of the AD626A are: Current Sensing, Interface for Pressure Transducers, Position Indicators, Strain Gages, and Other Low Level Signal Sources.
Parametrics
AD626A absolute maximum ratings: (1)Supply Voltage: +36 V; (2)Internal Power Dissipation, Peak Input Voltage: 60 V; (3)Maximum Reversed Supply Voltage Limit: –34 V; (4)Output Short Circuit Duration: Indefinite; (5)Storage Temperature Range (N, R): –65℃ to +125℃; (6)Operating Temperature Range, AD626A/B: –40℃ to +85℃; (7)Lead Temperature Range (Soldering 60 sec): +300℃.
Features
AD626A features:(1)Pin Selectable Gains of 10 and 100; (2)Single Supply Range of +2.4 V to +10 V; (3)Dual Supply Range of ±1.2 V to ±6 V; (4)Wide Output Voltage Range of 30 mV to 4.7 V; (5)Low Input Offset Voltage: 500 mV max; (6)Large Common-Mode Range: 0 V to +54 V; (7)Low Power: 1.2 mW (VS = +5 V); (8)Good CMR of 90 dB typ; (9)Fast Settling Time: 24 ms (0.01%); (10)Series Resistive Inputs (RIN = 200 kV); (11)RFI Filters Included; (12)Allows 50 V Continuous Overload.
Diagrams

| Image | Part No | Mfg | Description | ![]() |
Pricing (USD) |
Quantity | ||||||||||||||||||||
|---|---|---|---|---|---|---|---|---|---|---|---|---|---|---|---|---|---|---|---|---|---|---|---|---|---|---|
![]() |
![]() AD626AN |
![]() Analog Devices Inc |
![]() IC DIFF AMP TRUE SNGL SUPP 8-DIP |
![]() Data Sheet |
![]()
|
|
||||||||||||||||||||
![]() |
![]() AD626AR |
![]() |
![]() IC AMP DIFF LP 12MA 8SOIC |
![]() Data Sheet |
![]()
|
|
||||||||||||||||||||
![]() |
![]() AD626AR-REEL |
![]() |
![]() IC AMP DIFF LP 12MA 8SOIC |
![]() Data Sheet |
![]()
|
|
||||||||||||||||||||
![]() |
![]() AD626ARZ-REEL7 |
![]() |
![]() IC AMP DIFF LP 12MA 8SOIC |
![]() Data Sheet |
![]()
|
|
||||||||||||||||||||
![]() |
![]() AD626ARZ-REEL |
![]() |
![]() IC AMP DIFF LP 12MA 8SOIC |
![]() Data Sheet |
![]()
|
|
||||||||||||||||||||
![]() |
![]() AD626ARZ |
![]() |
![]() IC AMP DIFF LP 12MA 8SOIC |
![]() Data Sheet |
![]()
|
|
||||||||||||||||||||
![]() |
![]() AD626AR-REEL7 |
![]() |
![]() IC AMP DIFF LP 12MA 8SOIC |
![]() Data Sheet |
![]()
|
|
||||||||||||||||||||
![]() |
![]() AD626ANZ |
![]() |
![]() IC AMP DIFF LP 12MA 8DIP |
![]() Data Sheet |
![]()
|
|
||||||||||||||||||||
(China (Mainland))











