Product Summary
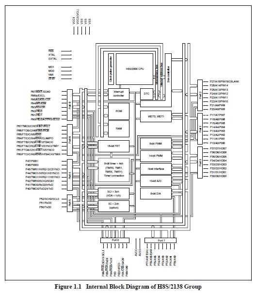
The HD64F2138AFA20 microcomputer (MCU) is built around the H8S/2000 CPU, employing Renesas Technology proprietary architecture, and equipped with supporting modules on-chip. The CPU of HD64F2138AFA20 has an internal 32-bit architecture, is provided with sixteen 16-bit general registers and a concise, optimized instruction set designed for high-speed operation, and can address a 16-Mbyte linear address space. The instruction set is upward-compatible with HD64F2138AFA20 instruction at the object-code level.
Parametrics
HD64F2138AFA20 absolute maximum ratings: (1)Power supply voltage: –0.3 to +7.0 V; (2)Input voltage (except ports 6 and 7): –0.3 to VCC +0.3 V; (3)Input voltage (CIN input not selected for port 6): –0.3 to VCC +0.3 V; (4)Input voltage (CIN input selected for port 6): Lower voltage of –0.3 to VCC +0.3 and AVCC +0.3 V; (5)Input voltage (port 7): –0.3 to AVCC +0.3 V; (6)Analog power supply voltage: –0.3 to +7.0 V; (7)Analog input voltage: –0.3 to AVCC +0.3 V; (8)Operating temperature: Regular specifications: –20 to +75 ℃, Wide-range specifications: –40 to +85 ℃; (9)Operating temperature (flash memory programming/erasing): Regular specifications: 0 to +75 ℃, Wide-range specifications: 0 to +85 ℃; (10)Storage temperature: –55 to +125 ℃.
Features
HD64F2138AFA20 features: (1)General-register architecture: Sixteen 16-bit general registers (also usable as sixteen 8-bit registers or eight 32-bit registers); (2)High-speed operation suitable for real-time control: Maximum operating frequency: 20 MHz/5 V, 10 MHz/3 V, High-speed arithmetic operations: 8/16/32-bit register-register add/subtract: 50 ns (20-MHz operation), 16 × 16-bit register-register multiply: 1000 ns (20-MHz operation), 32/16-bit register-register divide: 1000 ns (20-MHz operation); (3)Instruction set suitable for high-speed operation: Sixty-five basic instructions, 8/16/32-bit transfer/arithmetic and logic instructions, Unsigned/signed multiply and divide instructions, Powerful bit-manipulation instructions; (4)Two CPU operating modes: Normal mode: 64-kbyte address space, Advanced mode: 16-Mbyte address space.
Diagrams

| Image | Part No | Mfg | Description | ![]() |
Pricing (USD) |
Quantity | ||||
|---|---|---|---|---|---|---|---|---|---|---|
![]() |
![]() HD64F2138AFA20 |
![]() |
![]() IC H8S MCU FLASH 128K 80QFP |
![]() Data Sheet |
![]() Negotiable |
|
||||
| Image | Part No | Mfg | Description | ![]() |
Pricing (USD) |
Quantity | ||||
![]() |
![]() HD6412240TE13 |
![]() |
![]() IC H8S MPU ROMLESS 100TQFP |
![]() Data Sheet |
![]() Negotiable |
|
||||
![]() |
![]() HD6412322RVF25 |
![]() |
![]() IC H8S MCU ROMLESS 128-QFP |
![]() Data Sheet |
![]() Negotiable |
|
||||
![]() |
![]() HD6412322RVFBL25 |
![]() |
![]() IC H8S MCU ROMLESS 128-QFP |
![]() Data Sheet |
![]() Negotiable |
|
||||
![]() |
![]() HD6412332VFCBL25 |
![]() Renesas Technology America |
![]() IC H8S MCU ROMLESS 144-QFP |
![]() Data Sheet |
![]() Negotiable |
|
||||
![]() |
![]() HD6412350F20 |
![]() |
![]() IC H8S MPU ROMLESS 5V 128QFP |
![]() Data Sheet |
![]() Negotiable |
|
||||
![]() |
![]() HD6412350F20V |
![]() |
![]() IC H8S MPU ROMLESS 5V 128QFP |
![]() Data Sheet |
![]() Negotiable |
|
||||
(China (Mainland))












