Product Summary
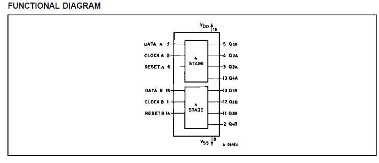
The HCF4015BE is a dual 4-stage static shift register with serial input/parallel output. It is a monolithic integrated circuit, available in 16-lead dual in-line plastic or ceramic package and plastic micropackage. The HCF4015BE consists of two identical, independent, 4-stage serial-input/parallel-output registers. Each register has independent CLOCK and RESET inputs as well as a single serial DATA input. ”Q” outputs are available from each of the four stageson both registers.
Parametrics
HCF4015BE absolute maximum ratings: (1)VDD Supply Voltage: – 0.5 to + 18 V; (2)Vi, Input Voltage: – 0.5 to VDD + 0.5 V; (3)II, DC Input Current (any one input): ± 10 mA; (4)Ptot, Total Power Dissipation (per package): 200mW; (5)Dissipation per Output Transistor for To p = Full Package-temperature Range: 100mW; (6)Top, Operating Temperature: – 40 to + 85 ℃; (7)Tstg, Storasge Temperature: – 65 to + 150℃.
Features
HCF4015BE features: (1)medium speed operation: 12mhz (typ), clock rate at vdd - vss = 10v; (2)fully static operation; (3)8 master-slave flip-flops plus input and output buffering; (4)high noise immunity; (5)quiescent current specified to 20v for hcc device; (6)input currentof 100na at 18v and 25℃for hcc device; (7)100% testedfor quiescent current; (8)5v, 10v, and 15v parametric ratings; (9)meets all requirements of jedec tentative standard no 13a, ”standard specifications for description of ”b” seriescmos devices”.
Diagrams

| Image | Part No | Mfg | Description | ![]() |
Pricing (USD) |
Quantity | ||||||||||||||||||
|---|---|---|---|---|---|---|---|---|---|---|---|---|---|---|---|---|---|---|---|---|---|---|---|---|
![]() |
![]() HCF4015BEY |
![]() STMicroelectronics |
![]() Counter Shift Registers Dual Shift Register |
![]() Data Sheet |
![]() Negotiable |
|
||||||||||||||||||
| Image | Part No | Mfg | Description | ![]() |
Pricing (USD) |
Quantity | ||||||||||||||||||
![]() |
![]() HCF4001B |
![]() Other |
![]() |
![]() Data Sheet |
![]() Negotiable |
|
||||||||||||||||||
![]() |
![]() HCF4001BEY |
![]() STMicroelectronics |
![]() Gates (AND / NAND / OR / NOR) Quad 2-Input NOR |
![]() Data Sheet |
![]()
|
|
||||||||||||||||||
![]() |
![]() HCF4001M013TR |
![]() |
![]() IC GATE NOR QUAD 2INP 14-SOIC |
![]() Data Sheet |
![]()
|
|
||||||||||||||||||
![]() |
![]() HCF4002B |
![]() Other |
![]() |
![]() Data Sheet |
![]() Negotiable |
|
||||||||||||||||||
![]() |
![]() HCF4006B |
![]() Other |
![]() |
![]() Data Sheet |
![]() Negotiable |
|
||||||||||||||||||
![]() |
![]() HCF4007UB |
![]() Other |
![]() |
![]() Data Sheet |
![]() Negotiable |
|
||||||||||||||||||
(China (Mainland))











