Product Summary
The OP279G are rail-to-rail, high output current, single-supply amplifiers. They are designed for low voltage applications that require either current or capacitive load drive capability. The OP279G can sink and source currents of ±60 mA (typical) and are stable with capacitive loads to 10 nF. Applications that benefit from the high output current of the OP279G include driving headphones, displays, transformers and power transistors. The powerful output is combined with a unique input stage that maintains very low distortion with wide common-mode range, even in single supply designs. The OP279G can be used as a buffer to provide much greater drive capability than can usually be provided by CMOS outputs. CMOS ASICs and DAC often have outputs that can swing to both the positive supply and ground, but cannot drive more than a few milliamps.
Parametrics
OP279G absolute maximum ratings: (1)Supply Voltage: +16 V; (2)Input Voltage: +16 V; (3)Differential Input Voltage: ±1 V; (4)Output Short-Circuit Duration to GND: Indefinite; (5)Storage Temperature Range, P, S, RT, RU Package: –65℃ to +150℃; (6)Operating Temperature Range, OP179G/OP279G: –40℃ to +85℃; (7)Junction Temperature Range, P, S, RT, RU Package: –65℃ to +150℃; (8)Lead Temperature Range (Soldering, 60 sec): +300℃.
Features
OP279G features: (1)Rail-to-Rail Inputs and Outputs; (2)High Output Current: 660 mA; (3)Single Supply: +5 V to +12 V; (4)Wide Bandwidth: 5 MHz; (5)High Slew Rate: 3 V/ms; (6)Low Distortion: 0.01%; (7)Unity-Gain Stable; (8)No Phase Reversal; (9)Short Circuit Protected; (10)Drives Capacitive Loads: 10 nF.
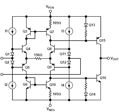
Diagrams

| Image | Part No | Mfg | Description | ![]() |
Pricing (USD) |
Quantity | ||||||||||||||||||
|---|---|---|---|---|---|---|---|---|---|---|---|---|---|---|---|---|---|---|---|---|---|---|---|---|
![]() |
![]() OP279GRU-REEL |
![]() Analog Devices Inc |
![]() IC OPAMP R-R INP&OUT 8-TSSOP TR |
![]() Data Sheet |
![]() Negotiable |
|
||||||||||||||||||
![]() OP279GRUZ-REEL |
![]() |
![]() IC OPAMP GP R-R 5MHZ DUAL 8TSSOP |
![]() Data Sheet |
![]()
|
|
|||||||||||||||||||
![]() |
![]() OP279GS |
![]() |
![]() IC OPAMP GP R-R 5MHZ DUAL 8SOIC |
![]() Data Sheet |
![]()
|
|
||||||||||||||||||
![]() |
![]() OP279GS-REEL |
![]() |
![]() IC OPAMP GP R-R 5MHZ DUAL 8SOIC |
![]() Data Sheet |
![]()
|
|
||||||||||||||||||
![]() |
![]() OP279GS-REEL7 |
![]() |
![]() IC OPAMP GP R-R 5MHZ DUAL 8SOIC |
![]() Data Sheet |
![]()
|
|
||||||||||||||||||
![]() |
![]() OP279GSZ |
![]() |
![]() IC OPAMP GP R-R 5MHZ DUAL 8SOIC |
![]() Data Sheet |
![]()
|
|
||||||||||||||||||
![]() |
![]() OP279GSZ-REEL |
![]() |
![]() IC OPAMP GP R-R 5MHZ DUAL 8SOIC |
![]() Data Sheet |
![]()
|
|
||||||||||||||||||
![]() |
![]() OP279GSZ-REEL7 |
![]() |
![]() IC OPAMP GP R-R 5MHZ DUAL 8SOIC |
![]() Data Sheet |
![]()
|
|
||||||||||||||||||
(China (Mainland))










