Product Summary
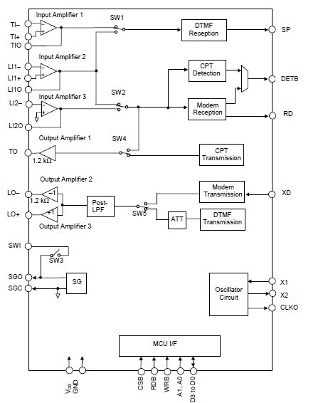
The ML7020MBZA10 is a 1200 bps modem LSI developed for remote control systems. The functions incorporated are those of a 1200 bps FSK modem conforming to ITU-T Recommendations V.23, DTMF signal generation and detection, call progress tone (CPT) generation and detection. Each functional block can be controlled via a 4-bit processor interface.
Parametrics
ML7020MBZA10 absolute maximum ratings: (1)Power supply voltage VDD: -0.3 to +7.0 V; (2)Permissible power dissipation, PD: to 130 mW; (3)Output short circuit current ISHT Shorted to VDD or ground: to 60 mA; (4)Analog input voltage VAIN: -0.3 to VDD + 0.3 V; (5)Digital input voltage VDIN: -0.3 to VDD + 0.3 V; (6)Storage temperature range Tstg: -55 to +150 ℃.
Features
ML7020MBZA10 features: (1)Single 5 V power supply operation (VDD: 4.5 to 5.5 V); (2)Low power consumption: During operation: 5 mA typ.; (3)During the power down mode: 7 μA typ.; (4)Built-in 1200 bps modem conforming to ITU-T V.23 recommendations; (5)Built-in DTMF signal generator with a switchable 6-dB attenuator; (6)Built-in DTMF detector (the input can be selected from either the line or the terminal); (7)Built-in call progress tone generator. The output frequency can be selected from 400 Hz and 800 Hz.; (8)Built-in call progress tone detector; (9)Three analog input systems (switchable); (10)Analog output for the line is of the differential type and can drive a 600 line transformer.; (11)Analog output for the terminal is of the single-ended type and can drive a 1.2 kload.; (12)Built-in switch for selecting the 600 Ω termination; (13)4-Bit processor interface; (14)Built-in oscillator circuit for a 3.579545 MHz crystal; (15)Package: 32-Pin plastic SSOP (SSOP32-P-430-1.00-K) (Product name: ML7020MB).
Diagrams

![]() |
![]() ML7000-01 |
![]() Other |
![]() |
![]() Data Sheet |
![]() Negotiable |
|
||||
![]() |
![]() ML7000-02 |
![]() Other |
![]() |
![]() Data Sheet |
![]() Negotiable |
|
||||
![]() |
![]() ML7000-03 |
![]() Other |
![]() |
![]() Data Sheet |
![]() Negotiable |
|
||||
![]() |
![]() ML7001-01 |
![]() Other |
![]() |
![]() Data Sheet |
![]() Negotiable |
|
||||
![]() |
![]() ML7001-02 |
![]() Other |
![]() |
![]() Data Sheet |
![]() Negotiable |
|
||||
![]() |
![]() ML7001-03 |
![]() Other |
![]() |
![]() Data Sheet |
![]() Negotiable |
|
||||
(China (Mainland))








