Product Summary
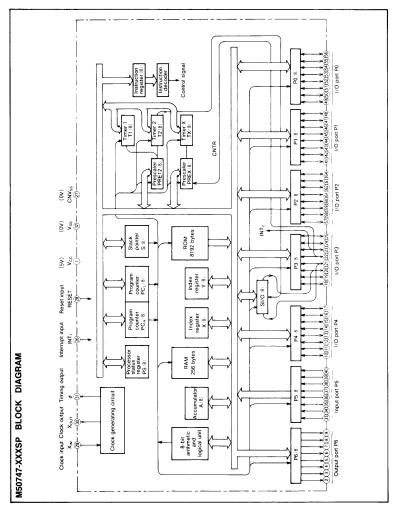
The M50747ESP is a single-chip microcomputer designed with CMOS silicon gate technology. It is housed in a 64-pin shrink plastic molded DIP. This single-chip microcomputer M50747ESP is useful for business equipment and other consumer applications. In addition to its simple instruction sets, the ROM, RAM, and I/O addresses are placed on the same memory map to enable easy programming. The applications of the M50747ESP include office automation equipment and VCR, tuner, audio-visual equipment.
Parametrics
M50747ESP absolute maximum ratings: (1)VCC, supply voltage: -0.3 to 7V; (2)Vi, input voltage, RESET, Xin, INT1, P50~P57: -0.3 to 7V; (3)Vi, input voltage, PO0~PO7, P20~P27, P30~P37, P40~P47: -0.3 to VCC+00.3V; (4)Vi, input votlage, CNVSS: -0.3 to 13V; (5)VO, output voltage, PO0~PO7, P20~P27, P30~P37, P40~P47, P60~P67, XOUT: -0.3 to 13V; (6)Pd, power dissipation: 1000mW when Ta=25℃; (7)Topr, operating temperature: -10 to 70℃; (8)Tstg, storage temperature: -40 to 125℃.
Features
M50747ESP features: (1)number of basic instructions: 69; (2)memory size, ROM: 8192 bytes; RAM: 256 bytes; (3)instruction execution time: 1μs; (4)single power supply f(XIN)=8MHz: 5V±10%; (5)power dissipation, normal operatin mode (at 8MHz): 30mW; (6)subroutine nesting: 128 level max; (7)interrupt: 7 types, 5 vecters; (8)8=bit timer: 3; (9)programmable I/O: 40; (10)input ports: 8; (11)output ports: 8; (12)serial I/O: 1.
Diagrams

![]() |
![]() M50743 |
![]() Other |
![]() |
![]() Data Sheet |
![]() Negotiable |
|
||||
(China (Mainland))








