Product Summary
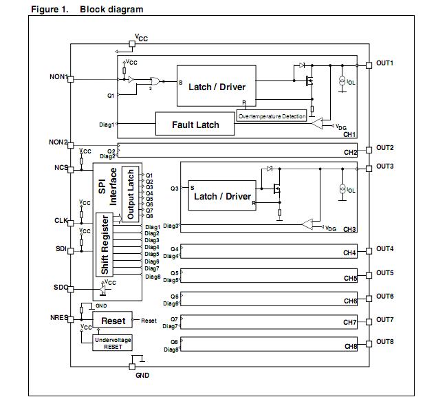
The L9826 is a Octal Low-Side Driver Circuit. The L9826 is dedicated for automotive applications. Output voltage clamping is provided for flyback current recirculation, when inductive loads are driven. The L9826 features 8 power low-side-driver outputs. Data is transmitted to the device using the Serial Peripheral Interface, SPI protocol. Outputs 1 and 2 can be controlled parallel or serial. The power outputs features voltage clamping function for flyback current recirculation and are protected against short circuit to Vbat.
Parametrics
L9826 absolute maximum ratings: (1)Supply voltage:-0.3V to 7V; (2)Vol tage(NONx, NCS, CLK, SDI, nRes):-0.3V to 7V; (3)Protection diodes current,T ≤ 1ms:-20mA to 20mA; (4)Continuous output voltage:-0.7V to 45V; (5)Output current:-2A to 1.0A; (6)Output clamp energy,IOUT ≤ 150mA:10mJ.
Features
L9826 features: (1)outputs current capability up to 450mA; (2)typical RON = 1.5Ω at TJ = 25℃; (3)parallel control inputs for outputs 1 and 2; (4)SPI control for outputs 1 to 8; (5)reset function with reset signal at NRES pin or undervoltage at VCC; (6)intrinsic output voltage clamping at TYP. 50V; (7)overcurrent shutdown at outputs 3 to 8; (8)short circuit current limitation and selective thermal shutdown at outputs 1 and 2; (9)output status data available on the SPI.
Diagrams

| Image | Part No | Mfg | Description | ![]() |
Pricing (USD) |
Quantity | ||||||||||||
|---|---|---|---|---|---|---|---|---|---|---|---|---|---|---|---|---|---|---|
![]() |
![]() L9826 |
![]() STMicroelectronics |
![]() Power Driver ICs Octal Low Side |
![]() Data Sheet |
![]() Negotiable |
|
||||||||||||
![]() |
![]() L9826TR |
![]() STMicroelectronics |
![]() Power Driver ICs Octal Low Side |
![]() Data Sheet |
![]()
|
|
||||||||||||
(China (Mainland))









