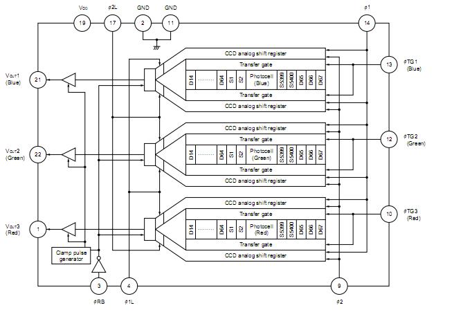
Product Summary
The D3777CY is a color CCD (Charge Coupled Device) linear image sensor which changes optical images to electrical signal and has the function of color separation. The D3777CY has 3 rows of 5400 pixels, and each row has a double-sided readout type of charge transfer register. And it has reset feed-through level clamp circuits, a clamp pulse generation circuit and voltage amplifiers. Therefore, the D3777CY is suitable for 600 dpi/A4 color image scanners, color facsimiles and so on.
Parametrics
D3777CY absolute maximum ratings: (1)Output drain voltage:-0.3V to +15V; (2)Shift register clock voltage:-0.3V to +8V; (3)Reset gate clock voltage:-0.3V to +8V; (4)Transfer gate clock voltage:-0.3V to +8V; (5)Operating ambient temperature:-25℃ to +60℃; (6)Storage temperature:-40℃ to +70℃.
Features
D3777CY features: (1)Valid photocell : 5400 pixels * 3; (2)Photocell’s pitch : 5.25 μm; (3)Photocell size : 5.25 * 5.25 μm2; (4)Line spacing : 42 μm (8 lines) Red line - Green line, Green line - Blue line; (5)Color filter : Primary colors (red, green and blue), pigment filter (with light resistance 107 lx·hour); (6)Resolution : 24 dot/mm A4 (210 × 297 mm) size (shorter side), 600 dpi US letter (8.5” × 11”) size (shorter side); (7)Drive clock level : CMOS output under 5 V operation; (8)Data rate : 4 MHz MAX.; (9)Power supply : +12 V; (10)On-chip circuits : Reset feed-through level clamp circuits, Clamp pulse generation circuit, Voltage amplifiers.
Diagrams

(China (Mainland))






