Product Summary
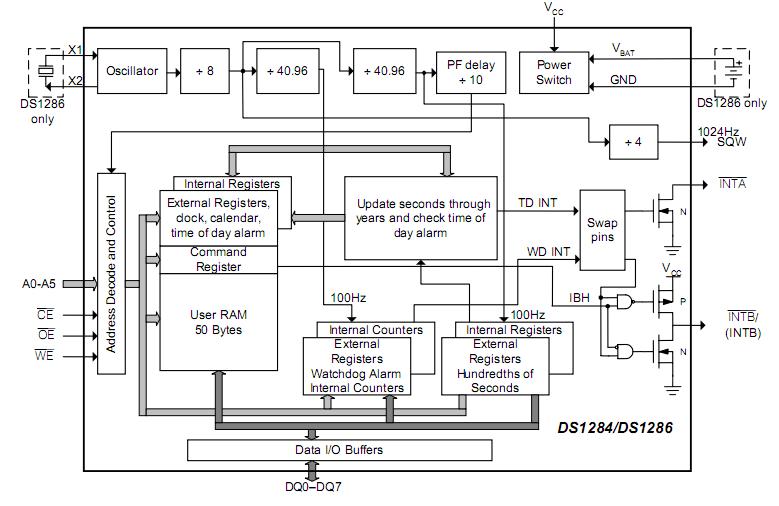
The DS1286 is a Watchdog Timekeeper. It is self-contained real-time clocks, alarms, watchdog timers, and interval timers in a 28-pin JEDEC DIP and encapsulated DIP package. The DS1286 contains an embedded lithium energy source and a quartz crystal, which eliminates the need for any external circuitry. It operates in either 24-hour or 12-hour format with an AM/PM indicator. The DS1286 provides alarm windows and interval timing between 0.01 seconds and 99.99 seconds. The real-time alarm provides for preset times of up to one week.
Parametrics
DS1286 absolute maximum ratings: (1)Voltage Range on Any Pin Relative to Ground:-0.3V to +7.0V ; (2)Operating Temperature Range:Commercial:0℃ to +70℃, Industrial:-40℃ to +85℃ ; (3)Storage Temperature Range:-40℃ to +85℃.
Features
DS1286 features: (1)Keeps Track of Hundredths of Seconds, Seconds, Minutes, Hours, Days, Date of the Month, Months, and Years; Valid Leap Year Compensation Up to 2100 ; (2)Watchdog Timer Restarts an Out-of-Control Processor ; (3)Alarm Function Schedules Real-Time-Related Activities ; (4)Embedded Lithium Energy Cell Maintains Time, Watchdog, User RAM, and Alarm Information ; (5)Programmable Interrupts and Square-Wave Outputs Maintain JEDEC Footprint ; (6)All Registers are Individually Addressable via the Address and Data Bus ; (7)Accuracy is Better than ±1 Minute/Month at +25℃ (EDIP) ; (8)Greater than 10 Years of Timekeeping in the Absence of VCC ; (9)50 Bytes of User NV RAM ; (10)Underwriters Laboratory (UL) Recognized ; (11)-40℃ to +85℃ Industrial Temperature Range Option.
Diagrams

| Image | Part No | Mfg | Description | ![]() |
Pricing (USD) |
Quantity | ||||
|---|---|---|---|---|---|---|---|---|---|---|
![]() |
![]() DS1286 |
![]() Maxim Integrated Products |
![]() Real Time Clock |
![]() Data Sheet |
![]() Negotiable |
|
||||
![]() |
![]() DS1286I |
![]() Maxim Integrated Products |
![]() Real Time Clock |
![]() Data Sheet |
![]() Negotiable |
|
||||
![]() |
![]() DS1286I+ |
![]() Maxim Integrated Products |
![]() Real Time Clock |
![]() Data Sheet |
![]() Negotiable |
|
||||
![]() |
![]() DS1286+ |
![]() Maxim Integrated Products |
![]() Real Time Clock |
![]() Data Sheet |
![]() Negotiable |
|
||||
(China (Mainland))









